ГЛ228ЛМ
Asialeren
8517710000
100ПК
принял
1000ПК/дней
| штат: | |
|---|---|
| Количество: | |
Элемент | Технические характеристики | |
ГНСС-антенна | Частота | GPS L1/L2 ГЛОНАСС G1/G2 КОМПАС B1/B2/B3 Галилео E1/L1/E2/E5b/E6 |
поляризация | РХКП | |
Осевое соотношение | ≤3 дБ | |
КСВН | ≤1,5 | |
Пиковое усиление | ≥5 дБи | |
Импеданс | 50 Ом | |
Ошибка фазового центра | ±2 мм | |
Горизонтальный угол охвата | 360° | |
ГНСС Антенна МШУ | Прирост | 40±2 дБ |
Коэффициент шума | ≤1,5 дБ | |
Колебания полосы пропускания | ±1 дБ | |
Напряжение питания | 3~12 В постоянного тока | |
Текущее потребление | ≤45 мА | |
КСВН | ≤2,0 | |
LTE-антенна MIMO | Частотный диапазон | 698~960МГц/1710~2690МГц |
поляризация | Линейный | |
Прирост | ОСНОВНОЙ: 2,5 дБи (Зенит) AUX: 2,0 дБи (Зенит) | |
КСВН | <3,0 | |
Импеданс | 50 Ом | |
Механический | Разъем | Факра или другие |
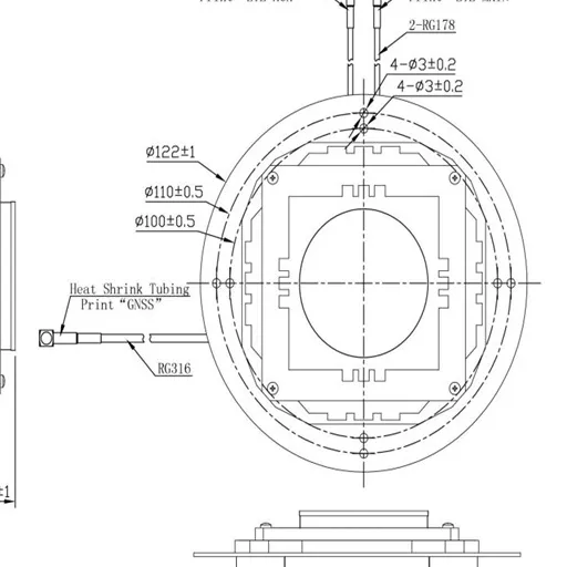
Кабель | ГНСС-антенна: RG316
LTE-антенна:RG178*2 | |
Сравнение дифференциации
Серия сравнения | ГЛ228ЛМ | ГЛ218Д |
| Тип продукта | Комбинированная антенна GNSS Survey + LTE MIMO | Активная ГНСС-антенна |
Диапазон частот | ГНСС: GPS L1/L2, ГЛОНАСС G1/G2, КОМПАС B1/B2/B3, Галилео E1/L1/E2/E5b/E6; LTE MIMO: 698–960 МГц/1710–2690 МГц | 1559,052~1602МГц, 1164~1259МГц |
Тип разъема | Факра или другие | БНК или другие |
Тип кабеля | ГНСС: RG316; ЛТЕ: RG178*2 | RG58 или другие |
КСВН | ГНСС: ≤1,5; LTE MIMO: <3,0; ГНСС МШУ: ≤2,0 | ≤2,0 (антенна и МШУ) |
| поляризация | ГНСС: РГКП; LTE MIMO: линейный | РХКП |
Советы:
Эти два продукта имеют существенные различия в позиционировании.
GL228LM подходит для сценариев, требующих высокоточного позиционирования в сочетании с беспроводной связью, а GL218D подходит для общих сценариев, требующих приема одного сигнала GNSS .
Выбор должен основываться на функциональных требованиях и экологичности.
Введение продукта
1. Сотрудничество двух систем
• GNSS: полнодиапазонная поддержка (GPS L1/L2, ГЛОНАСС G1/G2, Beidou B1/B2/B3, Galileo E1/E2/ESb/EG).
• LTE MIMO: двухканальное покрытие 698–960 МГц/1710–2690 МГц, обеспечивающее передачу данных измерений в реальном времени.
2. Обработка сигналов военного уровня
▸ Коэффициент усиления GNSS LNA 40±2 дБ, коэффициент шума ≤1,5 дБ (на 25 % ниже, чем у GL208 предыдущего поколения)
▸ Усиление двойной антенны LTE MIMO: основной канал 2,5 дБи/вторичный канал 2,0 дБи, повышение стабильности передачи в слабых зонах сети
3. Гарантия точности измерений
Погрешность фазового центра ±2 мм, горизонтальный охват 360° и осевое соотношение ≤3 дБ, что соответствует требованиям к точности съемки и картографирования на миллиметровом уровне.
4. Конструкция со сверхнизким энергопотреблением
• Потребляемая мощность GNSS ≤45 мА при 3–12 В постоянного тока (на 25 % ниже, чем у GL208)
• Двухсистемный скоординированный источник питания, подходящий для мобильных устройств на солнечных батареях.
5. Защита промышленного уровня.
Широкий диапазон рабочих температур от -40°C до +85°C
▸ Специальные кабели: экранированный кабель RG316 для GNSS, два кабеля RG178 для LTE для обеспечения помехоустойчивости.
▸ Поддерживает пользовательские интерфейсы, такие как Fakra
Сценарии применения
Мониторинг интеллектуальной инфраструктуры: мониторинг деформации моста/плотины в режиме реального времени (прием данных GNSS + транзитная связь LTE)
Беспилотная картографическая платформа: топографическое картографирование и синхронизация данных с помощью дронов/беспилотных судов.
Точное земледелие: загрузка в облако траекторий работы автономной сельскохозяйственной техники в режиме реального времени
Картирование аварийных ситуаций: быстрое картирование мест стихийных бедствий и обмен данными с командными центрами.
Терминал Интернета транспортных средств (IoV): высокоточное позиционирование + встроенная встроенная связь 4G/5G.
Часто задаваемые вопросы
Вопрос: Поддерживает ли он диапазоны частот 5G NR?
О: Антенна LTE покрывает диапазон 1710–2690 МГц, включая некоторые диапазоны 5G Sub-6G (n1/n3/n7 и т. д.), но требует поддержки терминального устройства.
Вопрос: Как питаются антенны GNSS и LTE?
О: У них общий широкополосный вход 3–12 В. Для GNSS LNA требуется отдельный источник питания, а питание антенны LTE осуществляется от терминального устройства.
Вопрос: Совместим ли интерфейс Fakra со стандартными устройствами?
О: Интерфейс Fakra является стандартным (другие типы могут быть настроены), напрямую совместим с автомобильными коммуникационными узлами и промышленными маршрутизаторами.
Вопрос: Будут ли две антенны мешать друг другу?
О: Они используют изолированную конструкцию с индивидуально экранированными кабелями (RG316 для GNSS и RG178 для LTE) с КСВ ≤ 2,0 для обеспечения чистоты сигнала.
Вопрос: Можно ли использовать его с сетью экстренной помощи FirstNet в Северной Америке?
О: Он поддерживает диапазон 14 (700 МГц), охватывающий диапазон частот 698–960 МГц, и соответствует требованиям к устройствам FirstNet.
Вопрос: Включает ли параметр фазового центра влияние антенны LTE?
О: Заводская калибровка предназначена только для антенны GNSS (±2 мм). Антенны LTE с линейной поляризацией не влияют на точность позиционирования.
Вопрос: Можно ли настроить длину кабеля? A: Поддержка настройки длины кабеля RG316/RG178.
Элемент | Технические характеристики | |
ГНСС-антенна | Частота | GPS L1/L2 ГЛОНАСС G1/G2 КОМПАС B1/B2/B3 Галилео E1/L1/E2/E5b/E6 |
поляризация | РХКП | |
Осевое соотношение | ≤3 дБ | |
КСВН | ≤1,5 | |
Пиковое усиление | ≥5 дБи | |
Импеданс | 50 Ом | |
Ошибка фазового центра | ±2 мм | |
Горизонтальный угол охвата | 360° | |
ГНСС Антенна МШУ | Прирост | 40±2 дБ |
Коэффициент шума | ≤1,5 дБ | |
Колебания полосы пропускания | ±1 дБ | |
Напряжение питания | 3~12 В постоянного тока | |
Текущее потребление | ≤45 мА | |
КСВН | ≤2,0 | |
LTE-антенна MIMO | Частотный диапазон | 698~960МГц/1710~2690МГц |
поляризация | Линейный | |
Прирост | ОСНОВНОЙ: 2,5 дБи (Зенит) AUX: 2,0 дБи (Зенит) | |
КСВН | <3,0 | |
Импеданс | 50 Ом | |
Механический | Разъем | Факра или другие |
Кабель | ГНСС-антенна: RG316
LTE-антенна:RG178*2 | |
Сравнение дифференциации
Серия сравнения | ГЛ228ЛМ | ГЛ218Д |
| Тип продукта | Комбинированная антенна GNSS Survey + LTE MIMO | Активная ГНСС-антенна |
Диапазон частот | ГНСС: GPS L1/L2, ГЛОНАСС G1/G2, КОМПАС B1/B2/B3, Галилео E1/L1/E2/E5b/E6; LTE MIMO: 698–960 МГц/1710–2690 МГц | 1559,052~1602МГц, 1164~1259МГц |
Тип разъема | Факра или другие | БНК или другие |
Тип кабеля | ГНСС: RG316; ЛТЕ: RG178*2 | RG58 или другие |
КСВН | ГНСС: ≤1,5; LTE MIMO: <3,0; ГНСС МШУ: ≤2,0 | ≤2,0 (антенна и МШУ) |
| поляризация | ГНСС: РГКП; LTE MIMO: линейный | РХКП |
Советы:
Эти два продукта имеют существенные различия в позиционировании.
GL228LM подходит для сценариев, требующих высокоточного позиционирования в сочетании с беспроводной связью, а GL218D подходит для общих сценариев, требующих приема одного сигнала GNSS .
Выбор должен основываться на функциональных требованиях и экологичности.
Введение продукта
1. Сотрудничество двух систем
• GNSS: полнодиапазонная поддержка (GPS L1/L2, ГЛОНАСС G1/G2, Beidou B1/B2/B3, Galileo E1/E2/ESb/EG).
• LTE MIMO: двухканальное покрытие 698–960 МГц/1710–2690 МГц, обеспечивающее передачу данных измерений в реальном времени.
2. Обработка сигналов военного уровня
▸ Коэффициент усиления GNSS LNA 40±2 дБ, коэффициент шума ≤1,5 дБ (на 25 % ниже, чем у GL208 предыдущего поколения)
▸ Усиление двойной антенны LTE MIMO: основной канал 2,5 дБи/вторичный канал 2,0 дБи, повышение стабильности передачи в слабых зонах сети
3. Гарантия точности измерений
Погрешность фазового центра ±2 мм, горизонтальный охват 360° и осевое соотношение ≤3 дБ, что соответствует требованиям к точности съемки и картографирования на миллиметровом уровне.
4. Конструкция со сверхнизким энергопотреблением
• Потребляемая мощность GNSS ≤45 мА при 3–12 В постоянного тока (на 25 % ниже, чем у GL208)
• Двухсистемный скоординированный источник питания, подходящий для мобильных устройств на солнечных батареях.
5. Защита промышленного уровня.
Широкий диапазон рабочих температур от -40°C до +85°C
▸ Специальные кабели: экранированный кабель RG316 для GNSS, два кабеля RG178 для LTE для обеспечения помехоустойчивости.
▸ Поддерживает пользовательские интерфейсы, такие как Fakra
Сценарии применения
Мониторинг интеллектуальной инфраструктуры: мониторинг деформации моста/плотины в режиме реального времени (прием данных GNSS + транзитная связь LTE)
Беспилотная картографическая платформа: топографическое картографирование и синхронизация данных с помощью дронов/беспилотных судов.
Точное земледелие: загрузка в облако траекторий работы автономной сельскохозяйственной техники в режиме реального времени
Картирование аварийных ситуаций: быстрое картирование мест стихийных бедствий и обмен данными с командными центрами.
Терминал Интернета транспортных средств (IoV): высокоточное позиционирование + встроенная встроенная связь 4G/5G.
Часто задаваемые вопросы
Вопрос: Поддерживает ли он диапазоны частот 5G NR?
О: Антенна LTE покрывает диапазон 1710–2690 МГц, включая некоторые диапазоны 5G Sub-6G (n1/n3/n7 и т. д.), но требует поддержки терминального устройства.
Вопрос: Как питаются антенны GNSS и LTE?
О: У них общий широкополосный вход 3–12 В. Для GNSS LNA требуется отдельный источник питания, а питание антенны LTE осуществляется от терминального устройства.
Вопрос: Совместим ли интерфейс Fakra со стандартными устройствами?
О: Интерфейс Fakra является стандартным (другие типы могут быть настроены), напрямую совместим с автомобильными коммуникационными узлами и промышленными маршрутизаторами.
Вопрос: Будут ли две антенны мешать друг другу?
О: Они используют изолированную конструкцию с индивидуально экранированными кабелями (RG316 для GNSS и RG178 для LTE) с КСВ ≤ 2,0 для обеспечения чистоты сигнала.
Вопрос: Можно ли использовать его с сетью экстренной помощи FirstNet в Северной Америке?
О: Он поддерживает диапазон 14 (700 МГц), охватывающий диапазон частот 698–960 МГц, и соответствует требованиям к устройствам FirstNet.
Вопрос: Включает ли параметр фазового центра влияние антенны LTE?
О: Заводская калибровка предназначена только для антенны GNSS (±2 мм). Антенны LTE с линейной поляризацией не влияют на точность позиционирования.
Вопрос: Можно ли настроить длину кабеля? A: Поддержка настройки длины кабеля RG316/RG178.